產品編號:SK…E?10~12?SK…ES?15~80
滑動磨擦副:鋼/鋼
產品特點:焊接型桿端關節軸承由桿端體和向心關節軸承GE…E或GE…ES組裝而成,桿端體材料是易焊接鋼,桿端柄部裝有彈性銷,便于焊接時定位;可通過油杯或桿端眼孔潤滑。
使用溫度范圍:-50℃~+150℃
軸 承 型 號 Bearing number | 外 形 尺 寸 Dimensions mm | 額定載荷 Load ratings kN | 重量 Weight ≈kg | |||||||||||||
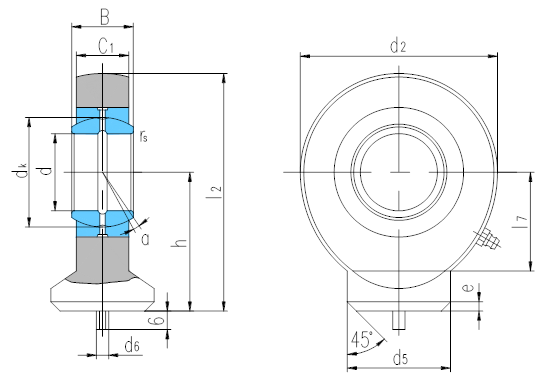
d | B | dk | C1
| d2
| h | l2
| l7
| d5
| d6 | e | rs
| αº ≈ | 動載荷 Dynamic | 靜載荷 Static | ||
SK10E1) | 10 | 9 | 16 | 7 | 29 | 24 | 38.5 | 15 | 15 | 3 | 2 | 0.3 | 12 | 8.1 | 15 | 0.041 |
SK12E1) | 12 | 10 | 18 | 8 | 34 | 27 | 44 | 17.5 | 17.5 | 3 | 2 | 0.3 | 10 | 10 | 21 | 0.066 |
SK15ES2) | 15 | 12 | 22 | 10 | 40 | 31 | 51 | 20 | 21 | 4 | 2.5 | 0.3 | 8 | 16 | 32 | 0.12 |
SK16ES2) | 16 | 14 | 25 | 11 | 46 | 35 | 58 | 23 | 24 | 4 | 3 | 0.3 | 10 | 21 | 40 | 0.19 |
SK17ES2) | 17 | 14 | 25 | 11 | 46 | 35 | 58 | 23 | 24 | 4 | 3 | 0.3 | 10 | 21 | 40 | 0.18 |
SK20ES | 20 | 16 | 29 | 13 | 53 | 38 | 64.5 | 27.5 | 27.5 | 4 | 3 | 0.3 | 9 | 30 | 54 | 0.26 |
SK25ES | 25 | 20 | 35.5 | 17 | 64 | 45 | 77 | 33 | 33.5 | 4 | 4 | 0.6 | 7 | 48 | 72 | 0.45 |
SK30ES | 30 | 22 | 40.7 | 19 | 73 | 51 | 87.5 | 37.5 | 40 | 4 | 4 | 0.6 | 6 | 62 | 95 | 0.67 |
SK35ES | 35 | 25 | 47 | 21 | 82 | 61 | 102 | 43 | 47 | 4 | 4 | 0.6 | 6 | 79 | 125 | 1.02 |
SK40ES | 40 | 28 | 53 | 23 | 92 | 69 | 115 | 48 | 52 | 4 | 5 | 0.6 | 7 | 99 | 156 | 1.40 |
SK45ES | 45 | 32 | 60 | 27 | 102 | 77 | 128 | 52 | 58 | 6 | 5 | 0.6 | 7 | 127 | 208 | 1.93 |
SK50ES | 50 | 35 | 66 | 30 | 112 | 88 | 144 | 59 | 62 | 6 | 6 | 0.6 | 6 | 156 | 250 | 2.69 |
SK60ES | 60 | 44 | 80 | 38 | 135 | 100 | 167.5 | 72.5 | 70 | 6 | 8 | 1 | 6 | 245 | 390 | 4.60 |
SK70ES | 70 | 49 | 92 | 42 | 160 | 115 | 195 | 85.5 | 80 | 6 | 10 | 1 | 6 | 313 | 510 | 7.00 |
SK80ES | 80 | 55 | 105 | 47 | 180 | 141 | 231 | 98 | 95 | 6 | 10 | 1 | 6 | 400 | 620 | 11.0 |
1)無潤滑通道。
2)只能通過桿端眼孔潤滑。
可裝自潤滑向心關節軸承。

